L o a d i n g

技术案例

技术案例

电厂生产安全监管与预警

用户需求:
水电厂工业系统运行环境特殊,保障系统安全稳定运行是关键。解决方案不仅要应对汛期时工控系统超负荷工作,部署的安全设备还要具备宽温差、高湿差的性能。为了更好的保障项目实施,威努特成立的专家技术团队围绕国家政策法规对其紧急开展了现场检查和风险评估。该水电厂生产控制系统基本满足电力监控系统安防要求,生产控制大区与管理信息区已实现单向隔离,与南网总调、云南中调和澜沧江集控中心远动通道已实现纵向加密,但与《电力行业信息系统安全等级保护基本要求》还有诸多不相适应的地方,网络边界防护、监控大区病毒防护、安全审计、操作系统加固等还不完善,存在一定的信息安全风险,不利于电站长周期安全稳定运行。因此急需开展生产控制系统信息安全监管与预警平台建设,消除电厂不符合等级保护要求的缺陷,提高生产控制系统的安全等级保护水平。
项目方案:
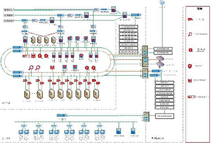
◇ 部署工业防火墙对生产控制系统不同机组之间进行隔离防护。
◇ 部署工控主机卫士对工程师站、操作员站、历史服务器等主机系统进行安全防护。
◇ 部署工控安全监测与审计系统和入侵检测系统对电力生产控制系统内人员的操作行为、恶意攻击入侵行为等进行事前监控、事中记录、事后定位。
◇ 部署安全运维管理系统实现账号统一管理、资源和权限统一分配、操作全程审计。
◇ 部署统一安全管理平台对系统内的安全设备进行统一的监控,将设备日志统一收集起来,进行综合分析,提升运维效率。
核心产品与技术服务:
◇ 增设26台工业防火墙;
◇ 增设4台工控安全监测与审计系统;
◇ 增设2台工控入侵检测系统;
◇ 增设2台安全运维管理系统;
◇ 增设15套主机安全加固防护系统;
◇ 增设1台统一安全管理平台;
◇ 监控地面赫斯曼核心交换机更换;
◇ 其它网络基础环境建设内容,包括:2面HP标准服务器机柜、2台地面及地下维护终端SUN X6-2L及线缆铺设(网线铺设等工作)施工等。
该项目采用多款防护设备,对于保证系统的稳定性、及时性以及防护设备的使用寿命有着极其严格的要求。威努特纳入设计方案的相关技术及产品均通过严格的产品测试,拥有多项国家级资质、多项发明专利,并具有丰富的项目实践。同时,产品在现场验收后,威努特还提供为期两年的技术服务,保证对其水电厂提供紧急预案方案,调度相关资源保障正常运行。